High Current Flat Wire SMD Inductor Custom
Flat wire power inductors utilize copper wire with a rectangular cross-section, designed to minimize copper loss; compared to traditional round-wire windings, this design increases the surface area by 40% to 60%. This structure significantly reduces DC resistance and enhances heat dissipation, enabling the product to achieve a higher continuous current-carrying capacity within a compact form factor.
We welcome customer inquiries regarding custom designs or bulk orders for our high-current flat-wire inductors. For any inquiries, please send an email to info@smdinductor.com. Zhenhua is available to provide you with inventory information, product quotations, and technical specifications for our flat-wire inductors.
Picture | Part Number | Inductance (µH)+20% | Irms (A) | Isat (A) | DCR Max (mΩ) | Applications | Action |
3.3~6.8 | 45 | 50~70 | 1.45 | Compact Industrial Controllers and Power Supplies. 5G Base Station Power Supplies and Telecom Equipment. Automotive-Grade DC-DC Regulators (Efficiency-Optimized). | ; | ||
| 3220 | 1.5 | 80 | 120 | 0.6 | Compact Industrial Controllers and Power Supplies. 5G Base Station Power Supplies and Telecom Equipment. Automotive-Grade DC-DC Regulators (Efficiency-Optimized). | ; |
| 3222 | 10~15 | 45 | 44~48 | 3.0 | Compact Industrial Controllers and Power Supplies. 5G Base Station Power Supplies and Telecom Equipment. Automotive-Grade DC-DC Regulators (Efficiency-Optimized). | ; |
| 3225 | 10 | 47 | 50 | 2.55 | Compact Industrial Controllers and Power Supplies. 5G Base Station Power Supplies and Telecom Equipment. Automotive-Grade DC-DC Regulators (Efficiency-Optimized). | ; |
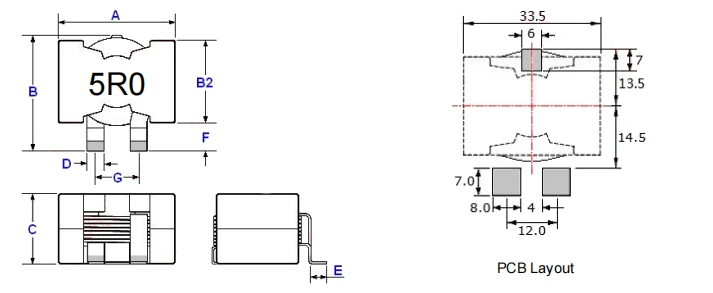
Shape and Dimensions:

A | B | C | D | E | F | G |
33.5Max | 30.8±1.0 | 18.8Max | 6.0±0.3 | 4.0±1.0 | 6.7Ref | 12.0±1.0 |
33.5Max | 30.8±1.0 | 20.5Max | 6.0±0.3 | 4.0±1.0 | 6.7Ref | 12.0±1.0 |
33.5Max | 30.8±1.0 | 20.5Max | 6.0±0.3 | 4.0±1.0 | 6.7Ref | 12.0±1.0 |
33.5Max | 30.8±1.0 | 20.5Max | 6.0±0.3 | 4.0±1.0 | 6.7Ref | 12.0±1.0 |
Send your inquiry now!
We hope to get your inquiry about whether your project is large or small.
